产品详情
简单介绍:
AW-06-31.5,AW-10-31.5,电磁单向阀,生产厂家,价格
详情介绍:
AW-06-31.5,AW-10-31.5,电磁单向阀,生产厂家,价格
产品描述:
外形及安装尺寸

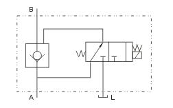
AW型电磁单向阀,是在液控单向阀控制油路上串联一个电磁换向阀而构成的电液控制单向阀。它有反向截止功能,由电信号操作控制油路通断,使液流正向导通或截止。
型号说明:

机能符号:

技术参数:
| 型号 | AW-06 | AW-10 |
| 流量l/min | 100 | 170 |
| 液压介质 | 矿物质液压油,磷酸脂液压油 | |
| 油温范围℃ | -20~70 | |
| 粘度mm2/s | 2.8~100 | |
| 工作压力MPa | 31.5 | |
| 适用电压V | 直流24,交流220/50Hz | |
外形及安装尺寸

| 型号 | L | L1 | L2 | L3 | L4 | L5 | B1 | B2 | B3 | D1 | D2 | D3 | h1 | h2 | A | A1 |
| AW-06 | 25 | 11.1 | 0 | 39.7 | 49.2 | 60.3 | 6.4 | 79.4 | 102 | 24 | 35 | 11 | 145 | 95 | 101 | 145 |
| AW-10 | 27 | 16.7 | 42.1 | 59.5 | 67.5 | 84.2 | 3.8 | 96.8 | 120 | 32 | 41 | 11 | 160 | 118 | 122 | 145 |